SCAR污水復合式排氣閥
SCAR污水復合式排氣閥用于污水管道上的最高點或有閉氣的地方,靠排除管內的氣體來疏通管道,達到正常工作。如不裝排氣閥,管道隨時出現起阻,是管道出水容量達不到設計要求,其次:其次:管道在運轉時出現停電、停泵管道及時出現負壓會引起管道振動或破裂,排(吸)氣閥就迅速把空氣吸入管內,防止管道振動或破裂。
SCAR污水復合式排氣閥概況
SCARX污水復合式排氣閥為圓桶式閥體,其內部主要有不銹鋼浮球及塞頭。 本閥裝設于泵浦出水口處或送配水管線中,用以大量排出管道中的集結之空氣,以增進水管及抽水機使用效率,管內一旦出現負壓時,此閥能迅速吸入空氣,以確保管線不會因負壓而被損壞,壓力等級1.0MPa。
本產品用于污水管道上的最高點或有閉氣的地方,靠排除管內的氣體來疏通管道,達到正常工作。如不裝排氣閥,管道隨時出現起阻,是管道出水容量達不到設計要求,其次:其次:管道在運轉時出現停電、停泵管道及時出現負壓會引起管道振動或破裂,排(吸)氣閥就迅速把空氣吸入管內,防止管道振動或破裂。
SCAR污水復合式排氣閥動作原理

本閥門(污水復合式排氣閥)原理與復合式排氣閥(CARX)相同,只是將結構略作改動,即將閥體加長,杠桿結構稍微改動。這樣將控制部分降低,使污物只在閥體下部,不會纏繞上部排氣部分個結構,不影響排氣,不致水漏 管內污水在運作時,該閥活瓣停在定位架下部,進行大量排氣,當空氣排完時,污水進入閥內,球浮起,傳動活瓣到關閉,停止排氣。管內在運作時會自然產生少量氣體,這些氣體會集中到管內上部,到相當程度,閥內污水下降,浮球順水下降,氣從小孔排出。如出現停電、停泵,
管內水流空時隨時出現負壓,浮球順水下降,打開小孔帶動大孔進行大量補氣,確保管道安全。
注:排氣閥在使用過程中壓力不能低于0.02Mpa,如低于0.02Mpa,排氣閥容易出現漏水。必須配一只閥門作為檢修用。
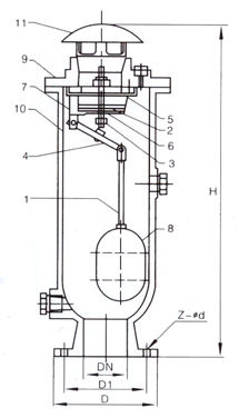
SCAR污水復合式排氣閥技術參數
1.工作壓力:1.0Mpa
2.介質:清水
3.使用溫度:常溫
主要部件材質
部件名稱 | 材質 | 部件名稱 | 材質 |
閥體 | 鑄鐵(HT200) | 密封材料 | 丁晴橡膠 |
浮球與活瓣 | 不銹鋼(304) | 杠桿架 | 不銹鋼(304) |
主要連接尺寸
| 公稱通徑 DN(mm) | H | D | D1 | Z | Ф-d |
|---|---|---|---|---|---|
| 50 | 490 | 165 | 125 | 4 | 19 |
| 80 | 590 | 200 | 135 | 8 | 19 |
| 100 | 750 | 220 | 180 | 8 | 19 |
| 150 | 820 | 285 | 240 | 8 | 23 |
| 200 | 1000 | 340 | 295 | 8 | 23 |
| 250 | 1200 | 395 | 350 | 12 | 23 |
服務承諾
(1) 嚴格按照合同要求,提供符合設計標準,質量合格的產品。
(2) 嚴格檢查和控制原材料、原器件、配套件的進廠質量。
(3) 保證所供設備加工工藝完善、檢測手段完備。產品絕不帶缺陷出廠。
(4) 對涉及分包商的供貨、質量、設備性能、技術接口、服務等方面問題全部責任。按合同規定的關鍵部件必須符合有關資質的要求,并經需方認可。
(5) 按合同規定向監造單位提供有關部門標準和圖紙,并為監造提供方便并對監造設備的停工待檢部位提前7天通知需方及監造代表,需方所派監造是督促我方按標準生產合格產品,但并不減我方的一切質量責任。
(6) 對設備制造過程中出現的質量缺陷及時向需方和監造代表通報、不隱瞞。若設備缺陷超過合同規定的標準,供方無條件更換。在安裝和試運行過程中,設備出現質量問題,先處理問題,再分清責任,一切以滿足工程進度需要為準則。
(7) 為所供的設備在制造、運輸、裝卸過程中投保,-旦發生意外,我方將按需要對所供設備盡快進行免費更換、修理,直到需方滿意為止。
(8) 在開箱過程中如發現缺件及其他原因引起的零部件丟失,我方負責盡快免費補齊所缺零部件。在設備的安裝、調試過程中以及今后在設備運行中發現的質量問題,如屬我方原因,我方承擔責任。
(9) 按時向需方提供按合同規定的全部技術資料和圖紙。有義務在必要時邀請需方參與我方的技術設計審核。
(10) 按需方要求的時間到現場進行技術服務,指導需方按我方的技術資料和圖紙的要求進行安裝、試運行及試生產。
(11) 對于需方先購的與合同設備有關的配套設備,我方主動提供滿足設備接口要求的技術條件和資料。
(12) 嚴格執行供需雙方就有關問題召開會議的紀要或協議。
(13) 按合同規定免費為需方舉辦有關設備安裝、調試、使用、維護技術的業務培訓班。
(14) 加強售前、售中、售后服務,把"24小時服務"、"超前服務"、"全過程服務"、 "終身服務"貫徹在產品制造、安裝、調試、大修的全過程。
(15) 接到需方反映的質量問題信息后,在24小時之內作出答復或派出服務人員,盡快到達現場,做到用戶對質量不滿意,服務不停止。
(16) 免費為產品提供終身維護,凡我廠用戶,均建立了詳盡的用戶檔案,我廠售后服務。人員實行定期回訪,巡視制度,指導用戶的日常維護,及時指出并解決可能出現的故障。
(17) 隨時滿足需方對備品備件的要求,終身為用戶提供質優價廉的零配件。
|
||||||||||||||||||||||||
![]() |
||||||||||||||||||||||||
| ||||||||||||||||||||||||










