流道檢修閥
流道檢修閥的主要功能和特點主要是管道檢修維護時方便拆卸和安裝的一種閥門,該閥門結構優秀,性能可靠,采用偏心密封結構,開啟力矩輕,流通面積大,方便維護等特點,該產品也可叫做C型球閥,主要是靠旋轉半球來使閥門暢通或閉塞。其開關輕便,體積小,可以做成很大口徑,密封可靠,結構簡單,維修方便,密封面與球面常在閉合狀態,不易被介質沖蝕。廣泛適用于石油、化工、城市給排水等要求嚴格密封的工況。
流道檢修閥用途
流道檢修閥的主要功能和特點主要是管道檢修維護時方便拆卸和安裝的一種閥門,該閥門結構優秀,性能可靠,采用偏心密封結構,開啟力矩輕,流通面積大,方便維護等特點,該產品也可叫做C型球閥,主要是靠旋轉半球來使閥門暢通或閉塞。其開關輕便,體積小,可以做成很大口徑,密封可靠,結構簡單,維修方便,密封面與球面常在閉合狀態,不易被介質沖蝕。廣泛適用于石油、化工、城市給排水等要求嚴格密封的工況。
閥門型號:流道檢修閥門Q940H(電動型)Q340H(手動渦輪型)Q640H(氣動開關型)DYQ340H(在線檢修型)、DYQ340Y(硬質合金密封型在線檢修型)、DYQ340F四氟密封在線檢修型;流道檢修閥門系列型號有PQ640H()、PQ640Y、PY640F。
流道檢修閥特點
流道檢修閥流體阻力小,其阻力系數與同長度的管段相等;
2.結構簡單、體積小、重量輕;
3.緊密可靠,目前球閥的密封面材料廣泛使用塑料、密封性好,在真空系統中也已廣泛使用;
4.偏心結構設計,閥門打開時迅速脫離閥座,減少摩擦,提高壽命;
5.維修方便,球閥結構簡單,密封圈一般都是活動的,拆卸更換都比較方便;
6.流道檢修閥在全開或全閉時,球體和閥座的密封面與介質隔離,介質通過時,不會引起閥門密封面的侵蝕;
7.適用范圍廣,通徑從小到幾毫米,大到幾米,從高真空至高壓力都可應用。
流道檢修閥執行標準
流道檢修閥設計規范: API 6D API 608 BS 5351 GB/T12237
流道檢修閥結構長度: ASME B16.10 GB/T12221
流道檢修閥法蘭連接: ASME B16.5 GB/T9113
流道檢修閥試驗與檢驗:GB/T 13927 API 598 API 6D
流道檢修閥性能參數
工作壓力(MPa) | 1.6~10.0 (Calss150-Calss600) | |
口徑(mm) | DN15-DN1200 1/2″-48″ | |
適用介質 | 水、油、氣、醋酸類、硝酸類等其他介質 | |
材料 | 閥體 | WCB CF8 CF8M CF3 CF3M |
球體 | WCB CF8 CF8M CF3 CF3M | |
閥桿 | 2Cr13 F304 F316 F304L F316L | |
密封面 | PTFE RPTFE PEEK 司太立合金 碳化鎢 | |
填料 | 柔性石墨 | |
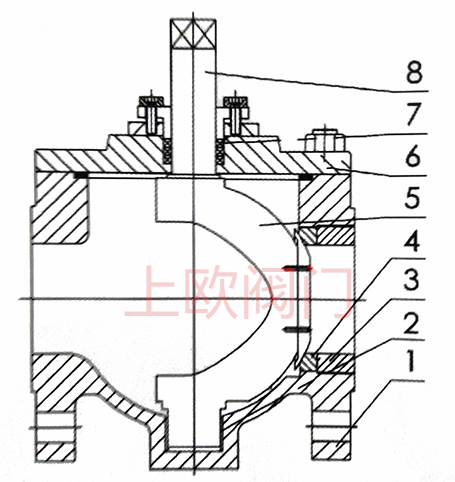
流道檢修閥結構示意圖

流道檢修閥圖中數字注釋:1表示閥體,2表示壓緊圈。3表示軸套,4表示閥座,5表示球冠,6表示閥蓋,7表示填料,8表示偏心軸。
流道檢修閥主要外形尺寸
1.6MPa公稱壓力下的流道檢修閥外形尺寸:
DN | 50 | 65 | 80 | 100 | 125 | 150 | 200 | 250 | 300 | 350 | 400 | 450 | 500 | 600 |
L | 178 | 190 | 203 | 229 | 254 | 267 | 292 | 330 | 356 | 381 | 406 | 432 | 457 | 509 |
H | 242 | 269 | 292 | 330 | 345 | 370 | 405 | 480 | 520 | 570 | 630 | 695 | 740 | 860 |
D | 165 | 185 | 200 | 220 | 250 | 285 | 340 | 405 | 460 | 520 | 580 | 640 | 715 | 840 |
D1 | 125 | 145 | 160 | 180 | 210 | 240 | 295 | 355 | 410 | 470 | 525 | 585 | 650 | 770 |
D2 | 99 | 118 | 132 | 156 | 184 | 211 | 266 | 319 | 370 | 429 | 480 | 54 | 609 | 720 |
C | 20 | 20 | 20 | 22 | 22 | 24 | 24 | 26 | 28 | 30 | 32 | 34 | 36 | 38 |
2.5MPa公稱壓力下的流道檢修閥外形尺寸:
DN | 50 | 65 | 80 | 100 | 125 | 150 | 200 | 250 | 300 | 350 | 400 | 450 | 500 | 600 |
L | 178 | 190 | 203 | 229 | 254 | 267 | 292 | 330 | 356 | 381 | 406 | 432 | 457 | 508 |
H | 242 | 269 | 292 | 330 | 345 | 370 | 405 | 480 | 520 | 570 | 630 | 695 | 740 | 860 |
D | 165 | 185 | 200 | 235 | 270 | 300 | 360 | 425 | 485 | 555 | 620 | 670 | 730 | 845 |
D1 | 125 | 145 | 160 | 190 | 220 | 250 | 310 | 370 | 430 | 490 | 550 | 600 | 660 | 770 |
D2 | 99 | 118 | 132 | 156 | 184 | 211 | 274 | 330 | 389 | 448 | 503 | 548 | 609 | 720 |
C | 20 | 22 | 24 | 24 | 26 | 28 | 30 | 32 | 34 | 38 | 40 | 42 | 44 | 46 |
聲明
聲明:本文中所有文字、數據、圖片均只適用于參考,性能參數、結構尺寸參數、流道檢修閥價格等詳情,請聯系我們
|
||||||||||||||||||||||||
![]() |
||||||||||||||||||||||||
| ||||||||||||||||||||||||










