
ZSJTQ氣動切斷三通球閥
ZSJTQ氣動切斷三通球閥是由氣動執行機構和三通球閥組成,是一種旋轉類切斷調節閥門,具有關閉嚴密,結構緊湊,重量輕,維修方便等優點。廣泛用于氣體、液體、蒸汽、油品等腐蝕性介質的管道自動化控制中。
產品概述
ZSJTQ氣動切斷三通球閥是由氣動執行機構和三通球閥組成,是一種旋轉類切斷調節閥門,具有關閉嚴密,結構緊湊,重量輕,維修方便等優點。廣泛用于氣體、液體、蒸汽、油品等腐蝕性介質的管道自動化控制中。兩閥座密封三通球閥具有結構緊湊、外型美觀、密封性能好。它能實現對管道中介質流向的切換。也能使相互垂直的兩個通道連通或關閉。四閥座密封三通球閥具有造型美觀、結構緊湊合理,它不僅可實現介質流向的切換,也可使三個通道相互連通,現時也可關閉任一通道,使另外兩個通道連通,靈活控制管路中介質的合流或分流。
技術參數
本體部分 | |
---|---|
閥體形式 | 直通鑄造三通閥 |
閥體材質 | ZG230-450 ZG1Cr18Ni9Ti |
公稱通徑 | DN15-DN300 |
公稱壓力 | PN1.6 2.5 4.0 6.4MPa ANSI 150 300LB JIS 10K 20K 30K |
連接形式 | 法蘭 FF RF RTJ 等 |
結構長度 | 符合IEC534 |
閥蓋形式 | 一體式 |
填料 | 聚四氟乙烯 柔性石墨等 |
密封墊 | 金屬夾石墨密封墊 四氟乙烯墊等 |
閥內部件 | |
閥芯型式 | O型三通球芯 |
流量特性 | 近似快開型 |
內件材質 | 標準材質組合及使用溫度、壓力請參閱附表 |
執行機構 | |
氣動 | 活塞式氣動執行機構 |
單作用 | 氣—開(彈簧復位) |
雙作用 | 氣—開/氣—關 |
零件材料及內部結構
本體材質為碳鋼 | ||||
1 | 閥體 | WCB | LCB | WC9 |
2 | 密封圈 | PTFE/PPL | ||
3 | 墊片 | PTFE/金屬石墨纏繞墊片 | ||
4 | 球 | 根據實際工況而定 | ||
5 | 填料 | PTFE/石墨 | ||
6 | 閥桿 | 2Cr13 | 2Cr13 | 2Cr13 |
7 | 填料壓蓋 | WCB | LCB | WC9 |
本體材質為不銹鋼 | ||||
1 | 閥體 | CF8 | CF8M | CF3M |
2 | 密封圈 | PTFE/PPL | ||
3 | 墊片 | PTFE/金屬石墨纏繞墊片 | ||
4 | 球 | 根據實際工況而定 | ||
5 | 填料 | PTFE/石墨 | ||
6 | 閥桿 | 304 | 316 | 316L |
7 | 填料壓蓋 | CF8 | CF8M | CF3M |
注:以上為標準配置結構,標準的閥體材料是碳鋼和不銹鋼,也可根據用戶需求進行配置。
介質流向原理
三通球閥分L型和T型,介質流通方向見下圖。L 型三通球閥適用于介質流向的切換,能使相互垂直的兩個通道連通:T 型三通球閥適用于介質的分流、合流或流向切換,T型孔道可以使三個通道互相連通或使其中兩個通道連通,三通球閥一般采用兩個閥座結構,亦可根據用戶要求采用四閥座結構。
執行標準
1. 設計和制造:GB/T12237-1989; APl608
2.檢驗和試驗:GB/T13927-1992; APl 598
3 法蘭連接:JB/T79]一 2-1994; ASME/ANSI B165
4 結構長度:JD-2002
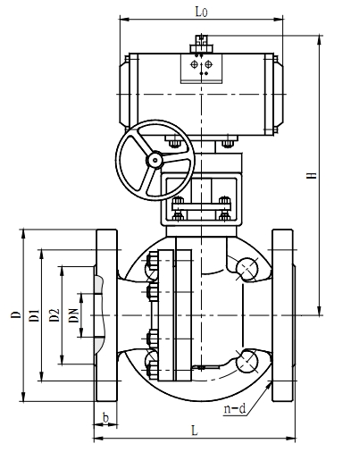
安裝尺寸
公稱壓力 (MPa) | 公稱通徑 DN(mm) | 尺寸(mm) | |||||||
D | D1 | D2 | L | H | L0 | b | n-d | ||
1.6 | 25 | 115 | 85 | 65 | 160 | 199 | 164 | 16 | 4-φ14 |
32 | 140 | 100 | 76 | 180 | 240 | 190 | 18 | 4-φ18 | |
40 | 150 | 110 | 84 | 200 | 255 | 210 | 18 | 4-φ18 | |
50 | 165 | 125 | 99 | 230 | 286 | 247 | 20 | 4-φ18 | |
65 | 185 | 145 | 118 | 290 | 330 | 276 | 20 | 4-φ18 | |
80 | 200 | 160 | 132 | 310 | 349 | 308 | 20 | 4-φ18 | |
100 | 220 | 160 | 156 | 350 | 421 | 348 | 22 | 8-φ18 | |
125 | 250 | 210 | 184 | 400 | 485 | 432 | 22 | 8-φ18 | |
150 | 285 | 240 | 211 | 480 | 582 | 524 | 24 | 8-φ22 | |
2.5 | 25 | 115 | 85 | 65 | 160 | 199 | 164 | 16 | 4-φ14 |
32 | 140 | 100 | 76 | 180 | 240 | 190 | 18 | 4-φ18 | |
40 | 150 | 110 | 84 | 200 | 255 | 210 | 18 | 4-φ18 | |
50 | 165 | 125 | 99 | 230 | 286 | 247 | 20 | 4-φ18 | |
65 | 185 | 145 | 118 | 290 | 330 | 276 | 22 | 8-φ18 | |
80 | 200 | 160 | 132 | 310 | 349 | 308 | 24 | 8-φ18 | |
100 | 235 | 190 | 156 | 350 | 421 | 348 | 24 | 8-φ22 | |
125 | 270 | 220 | 184 | 400 | 485 | 432 | 26 | 8-φ26 | |
150 | 300 | 250 | 211 | 480 | 582 | 524 | 28 | 8-φ26 |
外形結構尺寸圖
|
||||||||||||||||||||||||
![]() |
||||||||||||||||||||||||
|