產品概述
KD647X-1型氣動快速煤氣切斷蝶閥是在吸收國內外先進技術的基礎上,根據用戶的實際工況而設計的新一代快速切斷蝶閥。其特點1.采用橡膠密封圈,密封性能好,無泄漏;2.采用雙偏心錐形密封結構,采用越大越緊的密封機構及密封副磨損自動補嘗功能:3.采用雙作用氣缸推動,啟閉力矩大、動作速度快,閥門啟閉迅速,流阻損失小。4.氣缸采用緩沖設計,提高了使用壽命;氣缸上裝有消聲器,以減小噪音對環境的污染。適用于高爐煤氣、轉爐煤氣等可燃性氣體管道中要求快速切斷場合。
性能參數
公稱壓力:0.10MPa
強度試驗壓力:0.15MPa
密封試驗壓力:0.11MPa
適用溫度:≤200℃
適用介質:加熱爐煤氣、高爐煤氣、轉爐煤氣等
單程啟閉時間:DN≤1200,S≤2秒;DN≥1400,S≤3.5秒
零部件材料
KD647X-1型氣動快速煤氣切斷蝶閥零部件材料| 零件名稱 | 閥體、蝶板 | 密封圈 | 閥座 | 填料 |
| 材料 | 碳鋼 | 橡膠 | 不銹鋼 | 石墨盤根、柔性石墨 |
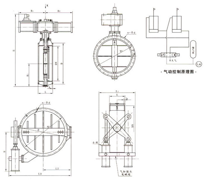
外形結構尺寸
KD647X-1型氣動快速煤氣切斷蝶閥外形結構尺寸(mm)| DN | D | D1 | b | n-φd | L | H | H1 | B1 | B2 | 進氣口 | 參考重量 |
| 200 | 320 | 280 | 22 | 8-118 | 152 | 1240 | 250 | 480 | 480 | Rc1/2″ | 350 |
| 250 | 375 | 335 | 24 | 12-18 | 165 | 1300 | 275 | 480 | 480 | Rc1/2″ | 420 |
| 300 | 440 | 395 | 24 | 12-22 | 178 | 1380 | 300 | 650 | 650 | Rc1/2″ | 500 |
| 350 | 490 | 445 | 24 | 12-22 | 190 | 1440 | 326 | 650 | 650 | Rc1/2″ | 600 |
| 400 | 540 | 495 | 24 | 16-22 | 216 | 1500 | 350 | 650 | 650 | Rc1/2″ | 800 |
| 450 | 595 | 550 | 26 | 16-22 | 222 | 1550 | 375 | 780 | 400 | Rc3/4 | 1000 |
| 500 | 645 | 600 | 26 | 20-22 | 229 | 1600 | 410 | 780 | 400 | Rc3/4 | 1200 |
| 600 | 755 | 705 | 26 | 20-26 | 267 | 1700 | 460 | 780 | 400 | Rc3/4 | 1410 |
| 700 | 860 | 810 | 26 | 24-26 | 292 | 1800 | 510 | 950 | 500 | Rc3/4″ | 1550 |
| 800 | 975 | 920 | 26 | 24-30 | 318 | 1900 | 570 | 950 | 500 | Rc1″ | 1650 |
| 900 | 1075 | 1020 | 26 | 24-30 | 330 | 2010 | 630 | 950 | 950 | Rc1″ | 1825 |
| 1000 | 1175 | 1120 | 26 | 28-30 | 410 | 2130 | 680 | 950 | 950 | Rc1″ | 2130 |
| 1200 | 1375 | 1320 | 26 | 32-30 | 470 | 2350 | 780 | 950 | 950 | Rc1″ | 2520 |
KD647X-1型氣動快速煤氣切斷蝶閥外形結構尺寸(mm)| DN | D | D1 | b | L | L1 | L2 | L3 | H | n-φd | 進氣口 | 參考重量 |
| 1400 | 1575 | 1520 | 26 | 530 | 1010 | 1100 | 2700 | 1450 | 36-30 | M33×2 | 3150 |
| 1600 | 1790 | 1730 | 26 | 600 | 1010 | 1010 | 2800 | 1450 | 40-30 | M33×2 | 3870 |
| 1800 | 1990 | 1930 | 26 | 670 | 1090 | 1090 | 3000 | 1450 | 44-30 | M39×2 | 5640 |
| 2000 | 2190 | 2130 | 26 | 760 | 1090 | 1090 | 3200 | 1450 | 48-30 | M39×2 | 7320 |
| 2200 | 2405 | 2340 | 28 | 760 | 1240 | 1540 | 3500 | 1650 | 52-33 | M39×2 | 9300 |
| 2400 | 2606 | 2540 | 28 | 760 | 1240 | 1640 | 3600 | 1650 | 56-33 | M39×2 | 10700 |
技術性能
KD647X-1型氣動快速煤氣切斷蝶閥氣動裝置、電磁閥技術性能| 公稱通徑(mm) |
| 200-400 | 450-700 | 800-1200 | 1400-1600 | 1800-2000 | 2200-2400 |
| 氣動裝置參數 | 氣源壓力 | 0.5-0.7MPa |
| 耗氣量 | 0.12 | 0.2 | 0.3 | 0.53 | 0.82 | 1.01 |
| 切斷時間 | 1-2S | 2-3S | 3-4S | 4-6S | 5-7S | 6-8S |
| 電磁閥參數 | 型號 | MVS2-15A-WY | MVS2-20A-WY | MVS2-15A-WY | MVS2-25A-WY | MVS2-25A-WY |
| 電源電壓 | 220V.AC. 24V.DC |
| 氣源壓力 | 0.4-0.7MPa |
尺寸圖
