進口NTG65/2閥門,美國NTG65/2隔膜閥,NTG65/2管夾閥
進口NTG65/2閥門,NTG65/2隔膜閥,NTG65/2管夾閥是上歐閥門有限公司原裝進口至國內銷售的管夾閥,該閥門是一種耐磨橡膠壓制的一種適用于旋流器或者電廠脫硫脫銷使用的一些隔膜閥.......

進口NTG65/2閥門,NTG65/2隔膜閥,NTG65/2管夾閥是上歐閥門有限公司原裝進口至國內銷售的管夾閥,該閥門是一種耐磨橡膠壓制的一種適用于旋流器或者電廠脫硫脫銷使用的一些隔膜閥.......
產品概述
NTG65/2”閥門,兩吋閥門,主要在電廠脫硫旋流站上使用,配VV100的旋流器,外殼為工程塑料,內襯耐磨防腐橡膠。該產品為美國NTG公司研發并廣泛推廣全世界應用,是電廠以及旋流器的必備閥門。該產品廣泛耐磨,耐腐蝕,耐沖刷,適用范圍非常廣泛。
產品特點
1、無阻礙流道,全通徑
2、低流阻
3、無阻塞
4、有殘存顆粒時仍然可以零泄漏關閉
5、無間隙和死角妨礙閥門操作
6、維護費用低
7、設計簡單,不受惡劣外部環境影響
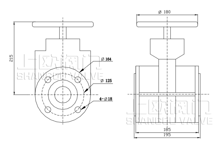
產品連接尺寸圖

產品應用展示

我公司不光有供應NTG65管夾閥,更有NTG65刀閘閥等NTG65公司生產的耐磨性產品供應
管夾閥使用范圍

在當代工業中,常有一些含有顆粒、粉末、纖維、粘漿等磨損性物質的固體或液體產品經由管道輸送,或者一些化學過程中帶有腐蝕性的介質時,夾管閥就是***佳選擇。可用于:
污水處理廠(污泥處理、沙礫清理、原污水、石灰、炭泥)
電廠(FGD系統、除灰系統、煤輸送)
采礦(尾礦、浮選控制、排泥管線、尾礦充填、各種其他漿液)
化學過程(腐蝕性和磨損性介質、粉末、顆粒)
以及造紙廠、紙漿廠、電子工業、食品工業、水泥、沙子、玻璃和工業污水處理廠等很多領域。
|
||||||||||||||||||||||||
![]() |
||||||||||||||||||||||||
| ||||||||||||||||||||||||









