產品概述
D941H電動法蘭硬密封蝶閥PN2.5~PN10作為新一代調速型蝶閥,本閥從設計思路上改變了傳統的靠機械變速來完成蝶板開關速度變化的模式,根據蝶板不同位置的動作特點,從電動驅動控制上進行了全新的設計。電動法蘭蝶閥采取改電動裝置輸入電流的頻率,進而調整電動裝置的轉動速度和輸出力矩,以達到控制蝶板開工關速度,實現蝶板快關、慢關兩階段關閉或慢開、快開兩階段開啟的目的。與液控蝶閥具有同樣的功能。本閥適用于介質為水、海水的管路的 泵出口位置,作為閉路閥兼有止回閥的特性,用以避免和減少管路系統中介質的倒流和水錘沖擊,保護管路.對于電廠、水廠等工作電源十分可靠的場合尤其適用。
產品特點
1. 電動啟閉,具有任意調整、止回和截止功能。操作方便,安全可靠。
2. 本閥可連續實現慢開、快開或快關、慢關的動作,并有效的防止了泵出口介質倒流和水錘的產生。
3. 節能驅動,與普通蝶閥同樣的驅動電機即可實現快關段高速小轉矩和慢關低段大轉矩的功能。
4. 安裝在泵出口時,本蝶閥同時具有止回啊和閘閥的共同功能,因此可以一閥代兩閥,節約安裝空間,節省管網造價。
5. 流阻小。本閥全開時流阻系數不超過0.3,因此可以節約能源,降低管路的運行費用。
6. 當發生事故或停電時,可以通過手動操作控制蝶閥啟閉。
技術參數
D941H電動法蘭硬密封蝶閥PN2.5~PN10主要技術參數| 公稱壓力(MPa) | 0.25 | 0.6 | 1.0 |
|---|
| 公稱通經(mm) | 1000~2400 | 800~2400 | 500~1600 |
| 試驗壓力 | 強度試驗 | 0.375 | 0.90 | 1.5 |
| 密封試驗 | 0.275 | 0.66 | 1.1 |
| 適用介質 | 水、海水 |
| 適用溫度(℃) | ≤80℃ |
| 安裝方式 | 立式、臥式 |
執行標準
D941H電動法蘭硬密封蝶閥PN2.5~PN10執行標準| 設計制造 | 法蘭連接尺寸 | 結構長度 | 壓力試驗 |
|---|
| GB12238 | GB2555-2526-8 | GB12221 | GB/T13927 |
零部件材料
D941H電動法蘭硬密封蝶閥PN2.5~PN10主要零部件材料| 零件名稱 | 材料 |
|---|
| 閥體 | 球墨鑄鋼、鑄鋼、合金鋼、不銹鋼 |
| 蝶板 | 灰鑄鐵、球墨鑄鋼、鑄鋼、不銹鋼及特殊材料 |
| 密封圈 | 各種橡膠、聚四氟 |
| 閥桿 | 2Cr13、不銹鋼 |
| 填料 | O型圈、柔性石墨O |
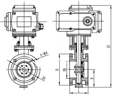
外形尺寸
D941H-2.5電動法蘭硬密封蝶閥主要外形尺寸(mm)| PN | DN | L | A | H1 | h3 | DO | B1 | B2 | B3 | B4 |
|---|
| 0.25MPa | 1000 | 410 |
| 817 | 1303 | 400 | 225 | 709 | 303 | 770 |
| 1200 | 470 | 1200 | 812 | 1529 | 400 | 225 | 709 | 303 | 760 |
| 1400 | 530 | 1400 | 1020 | 1692 | 400 | 225 | 728 | 303 | 760 |
| 1600 | 600 | 1600 | 1145 | 1885 | 400 | 275 | 843 | 385 | 778 |
| 1800 | 670 | 1800 | 1315 | 1924 | 400 | 275 | 879 | 385 | 792 |
| 2000 | 760 | 2000 | 1670 | 2095 | 400 | 275 | 969 | 450 | 856 |
| 2200 | 840 | 2200 | 1739 | 2487 | 400 | 430 | 1103 | 540 | 995 |
| 2400 | 910 | 2400 | 1699 | 2595 | 400 | 430 | 1103 | 540 | 995 |
D941H-6電動法蘭硬密封蝶閥主要外形尺寸(mm)| PN | DN | L | A | H1 | h3 | DO | B1 | B2 | B3 | B4 |
|---|
| 0.6MPa | 800 | 318 |
| 667 | 1190 | 500 | 175 | 583 | 230 | 683 |
| 900 | 330 |
| 745 | 1245 | 400 | 225 | 709 | 303 | 770 |
| 1000 | 410 |
| 817 | 1303 | 400 | 225 | 709 | 303 | 760 |
| 1200 | 470 | 1200 | 912 | 1529 | 400 | 225 | 728 | 303 | 760 |
| 1400 | 530 | 1400 | 1041 | 1693 | 400 | 275 | 843 | 385 | 778 |
| 1600 | 600 | 1600 | 1145 | 1885 | 400 | 275 | 879 | 385 | 792 |
| 1800 | 670 | 1800 | 1346 | 1924 | 400 | 275 | 969 | 450 | 856 |
| 2000 | 760 | 2000 | 1670 | 2095 | 400 | 430 | 1103 | 540 | 995 |
| 2200 | 840 | 2200 | 1739 | 2487 | 400 | 430 | 1103 | 540 | 995 |
| 2400 | 910 | 2400 | 1850 | 2595 | 400 | 430 | 1103 | 540 | 995 |
D941H-10電動法蘭硬密封蝶閥主要外形尺寸(mm)| PN | DN | L | A | H1 | h3 | DO | B1 | B2 | B3 | B4 |
|---|
| 1.0MPa | 500 | 229 |
| 548 | 943 | 500 | 145 | 533 | 162 | 610 |
| 600 | 267 |
| 583 | 985 | 500 | 175 | 583 | 230 | 683 |
| 700 | 292 |
| 612 | 1075 | 500 | 175 | 583 | 230 | 683 |
| 800 | 318 |
| 677 | 1190 | 400 | 225 | 709 | 303 | 770 |
| 900 | 330 |
| 745 | 1245 | 400 | 225 | 709 | 303 | 760 |
| 1000 | 410 |
| 817 | 1303 | 400 | 225 | 728 | 303 | 760 |
| 1200 | 470 | 1200 | 948 | 1529 | 400 | 275 | 843 | 385 | 778 |
| 1400 | 530 | 1400 | 1158 | 1692 | 400 | 275 | 879 | 385 | 792 |
| 1600 | 600 | 1600 | 1285 | 1885 | 400 | 275 | 969 | 450 | 856 |
尺寸圖

安裝注事事項
1、安裝前應核對蝶閥規格、壓力、溫度、耐腐性是否滿足使用要求。 應檢查各零部件是否損壞或松動。
2、本蝶閥可安裝在任意角度的管道上,應關閉安裝為宜;焊接管道法蘭時應將閥門密封口用板擋住以防止顆粒、雜物挫傷密封面,焊后取下 閥門,對閥門密封面及管道內腔進行清潔,然后再安裝固定閥門。
3、安裝時請注意閥門關閉狀態承壓方向。
4、安裝前應將密封面(兩端密封面、蝶板密封面、閥座密封面)徹底擦干凈,去掉灰塵和污物。
5、安裝前應空試蝶閥,啟閉應靈活,啟閉位置與指針指示位置相符合。
6、手動操作順時針為關,逆時針為開,指針指示到位后不準再加力啟閉閥門。
7、閥門做壓力試驗時,不準用單法蘭進行安裝試壓,必須采用雙法蘭安裝試壓。其試驗壓力應符合GB/T13927-92標準規定。
8、緊固螺栓時應對稱交替進行緊固,不準依次單獨緊固。
9、限位螺釘出廠前,已經調好,不準輕易調整。若配置驅動裝置為電動、氣動請閱配套驅動裝置說明書。
10、電動蝶閥出廠時已將控制機構的啟閉行程調好。為防止電源接通時方向搞錯,用戶在第一次接通電源前要先手動開啟至半開位置,再按點動開關,檢查指示盤方向與閥門開啟方向一致即可。
11、發現閥門啟閉失常應查明原因進行修理和排除,防止用加力方法開關閥門,造成閥門的損壞。